|
|
| ステンレス製カメラハウジング Stainless
Steel Camera Housings |
本ページに掲載の製品は全てRoHS指令に対応しています。
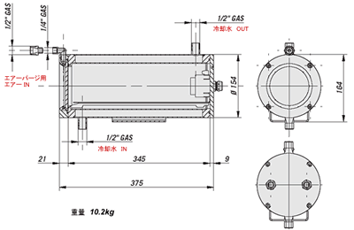
有効寸法を参考に、最適なカメラハウジングを選定ください。ご不明な場合はお気軽にお問合せください。電話:
03-5431-5971
定価太字(ボールド)記載は、2025年1月よりの改定価格です。

▲上へ
▲上へ
▲上へ
▲上へ
カメラは、ご利用用途に合わせ、アナログ・HD-SDIなど選定します。
レンズは、カメラタイプによりますが、マニュアルアイリスレンズTLV-A5055M-CSを推奨しています。その場合、偏光フィルターは、φ46mmのものを選定します。
 |
■水冷時の温度目安
冷却水入口温度20℃
| 周囲温度 |
流量 |
内部温度 |
| 200℃ |
2L/分 |
約32℃ |
| 300℃ |
2.2L/分 |
約41℃ |
| 400℃ |
6.5L/分 |
約44℃ |
■空冷時の温度目安
周囲温度80℃、空気入口温度17℃
| 圧力 |
流量 |
内部温度 |
| 1気圧 |
10m3/h |
約45℃ |
| 2気圧 |
15m3/h |
約35℃ |
■エアバリア(エアカーテン)
| 空気圧 |
エア消費量[M3/H] |
| 1 |
7 |
| 1.5 |
10 |
| 2 |
12 |
| 2.5 |
14 |
|
▲上へ
▲上へ
▲上へ
製品案内>カメラハウジング>ステンレス製カメラハウジング 冷却ハウジング、水中ハウジング
|